Barriere in ferro per dissuasori

Sono diversi i modelli di barriere in ferro che possono essere montate sui nostri dissuasori per creare così una delimitazione degli spazi conservando armonia ed eleganza.

Sono disponibili soluzioni modulari da 1 metro o 1,5 m per rispondere al meglio alle vostre richieste.

Barriera Singola 100

BARRIERA IN FERRO PER DISSUASORI

Barriera composta da singole aste con decoro la cui lunghezza è di 100 cm.

Schema tecnico

SINGOLA 100

Dimensioni della barriera modello Singola 100.

Barriera Singola 150

Barriera in ferro per dissuasori

Barriera composta da singole aste con decoro la cui lunghezza è di 150 cm.

Schema tecnico

SINGOLA 150

Dimensioni della barriera modello Singola 150.

Barriera Combi 100

Barriera in ferro per dissuasori

Barriera la cui lunghezza è di 100 cm composta da un'alternanza di una singola asta con decoro ed un inserto di aste dal disegno ovale.

Schema tecnico

COMBI 100

Dimensioni della barriera modello Combi 100.

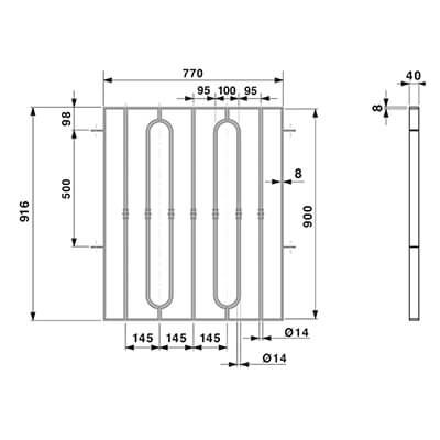
Barriera Combi 150

Barriera in ferro per dissuasori

Barriera la cui lunghezza è di 150 cm composta da un'alternanza di una singola asta con decoro ed un inserto di aste dal disegno ovale.

Schema tecnico

COMBI 150

Dimensioni della barriera modello Combi 100.

Barriera Doppia 100

Barriera in ferro per dissuasori

Barriera la cui lunghezza è di 100 cm composta da inserti di aste dal disegno ovale e decoro.

Schema tecnico

doppia 100

Dimensioni della barriera modello Doppia 100.

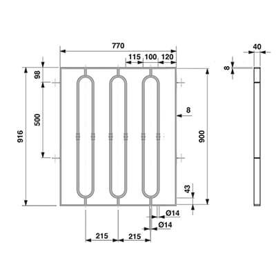
Barriera Doppia 150

Barriera in ferro per dissuasori

Barriera la cui lunghezza è di 150 cm composta da inserti di aste dal disegno ovale e decoro.

Schema tecnico

doppia 150

Dimensioni della barriera modello Doppia 150.

Barriera 100

Barriera in ferro per dissuasori

Modello Barriera la cui lunghezza è di 100 cm composta da aste incrociate, solitamente questa barriera è utilizzata per l'installazione dei banner pubblicitari.

Schema tecnico

BARRIERA 100

Dimensioni del modello Barriera 100.

Barriera 150

Barriera in ferro per dissuasori

Modello Barriera la cui lunghezza è di 150 cm composta da aste incrociate, solitamente questa barriera è utilizzata per l'installazione dei banner pubblicitari.

Schema tecnico

BARRIERA 150

Dimensioni del modello Barriera 150.

Finiture alternative che possono completare le barriere in ferro per dissuasori:

Le barriere in ferro possono essere personalizzate scegliendo una finitura alternativa a quella color ghisa antracite standard.
Vengono impiegati i colori a polvere termoindurenti indicati in fotografia.
Su richiesta possiamo anche valutare verniciature con colori non indicati a catalogo.

 

Puoi acquistare questi articoli anche on line, visita lo shop cliccando sul bottone. 

Torna su

Morelli S.a.s. di Morelli E. & C.
Via Mincio,13/A 40069 Zola Predosa (BO)
P.I. / C.F. 01947301204
Tel. 051.6414545

R.E.A. BO-400252
Iscr. Albo Artigiani n. 141719 del 20/07/2007
Iscr. Reg. Imp. di Bologna in data 15/02/1999 n. 01947301204

CHI SIAMO:

Il laboratorio artigiano MORELLI nasce a Bologna nel 1966.
Nei primi anni '90 quindi MORELLI si pone come azienda leader del settore dei complementi di arredamento in ghisa e ottone e ferro battuto.

Ad oggi il catalogo risponde alle numerose richieste dei clienti offrendo numerose tipologie di fontane da giardino in ghisa a stelo.
Completano la gamma le fontane da giardino con installazione a muro e una vasta gamma di rubinetti in ottone made in Italy.

L'ampia offerta di arredo giardino si completa con le cassette postali in ghisa ed alluminio, asole postali, illuminazione in ferro battuto, pulsantiere citofoniche anche su misura, oltre ai servizi dedicati ai condomini.